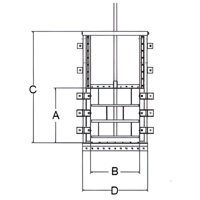
| NO. | Description | Material |
| 1 | Right & Left Frame | Stainless Steel |
| 2 | Lower U Beam | Stainless Steel |
| 3 | Middle U Beam | Stainless Steel |
| 4 | Upper U Beam | Stainless Steel |
| 5 | Door | Stainless Steel |
| 6 | Stem | Stainless Steel |
| 7 | Support –L | Stainless Steel |
| 8 | Angle 80*80 | Stainless Steel |
| 9 | Fixing Base Plate | Stainless Steel |
Penstock
Penstocks are essential components used in water and wastewater pipelines and treatment plants, designed to control fluid flow through full opening and full closing operations, ensuring safe and precise system operation.
We manufacture penstocks using two main material options to suit different operational requirements:
- Ductile Iron Penstocks
- Stainless Steel Penstocks
| Ø | Inlet Dim | A | B | C | D |
| Ø | 150 | 500 | 380 | 250 | 164 |
| Ø | 200 | 600 | 430 | 300 | 214 |
| Ø | 300 | 800 | 530 | 400 | 314 |
| Ø | 400 | 1000 | 630 | 500 | 414 |
| Ø | 500 | 1200 | 730 | 600 | 514 |
| Ø | 600 | 1400 | 830 | 700 | 614 |
| Ø | 700 | 1600 | 930 | 800 | 714 |
| Ø | 800 | 1800 | 1030 | 900 | 814 |
| Ø | 900 | 2000 | 1130 | 1000 | 914 |
| Ø | 1000 | 2200 | 1230 | 1100 | 1014 |
| Ø | 1100 | 2400 | 1330 | 1200 | 1114 |
| Ø | 1200 | 2600 | 1430 | 1300 | 1214 |
| Gate size A*B | A | B | C | D |
| 200*200 | 200 | 200 | 600 | 430 |
| 300*300 | 300 | 300 | 800 | 530 |
| 400*400 | 400 | 400 | 1000 | 630 |
| 500*500 | 500 | 500 | 1200 | 730 |
| 600*600 | 600 | 600 | 1400 | 830 |
| 700*700 | 700 | 700 | 1600 | 930 |
| 800*800 | 800 | 800 | 1800 | 1030 |
| 900*900 | 900 | 900 | 2000 | 1130 |
| 1000*1000 | 1000 | 1000 | 2200 | 1230 |
| 1100*1100 | 1100 | 1100 | 2400 | 1330 |
| 1200*1200 | 1200 | 1200 | 2600 | 1430 |













